Код LKF65XH8
В наличии
Описание
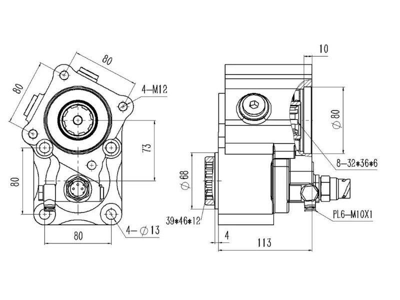
Коробка отбора мощности ZF (1:1.3) со смещением, 45 град, ISO, усиленная.
Технические характеристики:
- Выход под насос — 4 болта ISO
- Крутящий момент (Н·м) — 600
- Передаточное отношение — 1:1,3 (17/22)
- Вес — 12 кг




Коробка отбора мощности ZF (1:1.3) со смещением, 45 град, ISO, усиленная.